硬件打造左手鼠标
番茄系统家园 · 2022-11-18 09:51:39
笔者习惯用右手操作鼠标,而同用一台机的同事们习惯用左手,在家里用电脑也存在这个问题。这让笔者每次使用电脑都要在控制面板的鼠标属性中来回进来设置,时间长了觉得很不方便。于是利用USB口和PS/2口分别安装了两个鼠标,一只鼠标专用左手操作,另一只专用右手。可是Windows没有提供分别进行两个鼠标的左右手习惯的设置功能。便想到在其中一个鼠标的内部接线上打主意,发现可以很轻松地解决此问题:
按图1所示,在线路板上找到左右键微动开关在电路板上连接至控制芯片的信号线,将它们用小刀割断,然后将两个微动开关至控制芯片的接线对调,即按图中虚线所示接两根短线(这里用的是漆包线)即可。本人分别按此法改过两个鼠标(光电、机械各一个)均已成功。

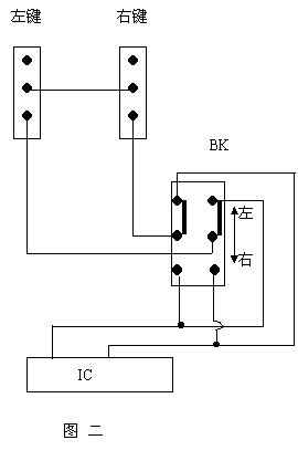
如果只有一个鼠标,可找一个双刀双掷的微型拨动开关,在鼠标一侧开个小孔将拨动开关装上(开关尺寸要尽量小,导线也要短并且细,否则可能安装不上),然后在线路板中割断开关至集成芯片的接线,按图2所示接线,即可利用拨动开关BK进行左右手习惯的切换了,无需进入控制面板,非常快捷。图3是改造SECOM光电鼠的实际图片,其他鼠标也可按照类似方式实现。

猜你喜欢
最新应用
热门应用

